Loading...

XGND-10箱型固定式金属封闭开关设备

产品描述


一、用途

XGN口-10箱型固定式金属封闭开关设备是由西安高压电器研究所开发和研制的高压成套开关设备。设备所用主要一次元件均属重新设计,与目前主要使用的手车式开关柜和GG-1(A)F型开关柜相比具有较高的绝缘水平和防护等级,内部不采用任何形式的相间和相对地隔板及绝缘气体,二次回路不采用二次插头(即不管设备在何种状态下,保护和控制回路是始终贯通的X产品各项指标符合GB3906《3-35kV交流金属封闭开关》和国际标准IEC298号出版物及机械电力两部对“五防”的要求,产品用于3-10kV单母线,单母线带旁路系统中作为接受和分配电能的高压成套设备。

二、使用的环境条件

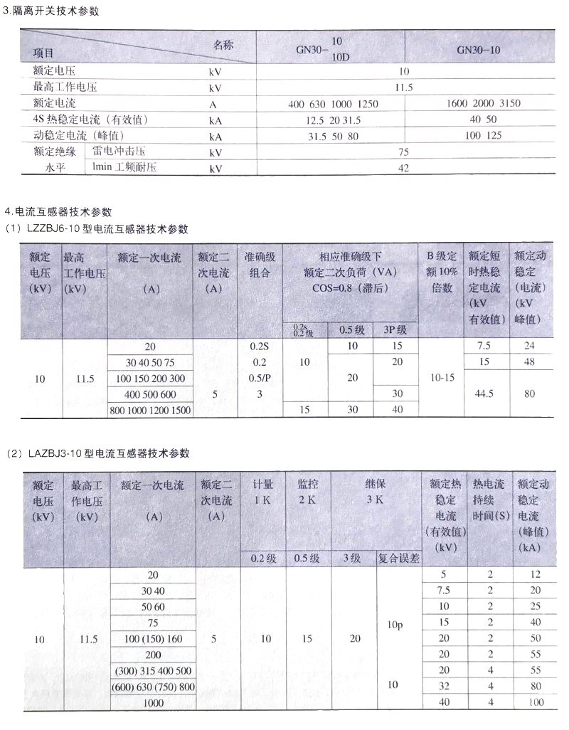
环境温度上限+40℃下限-25C(户内)。
海拔高度10O0m。
相对湿度日平均值不大于95%,月平均值不大于90%。
地震烈度不超过8度。
没有火灾、爆炸危险、严重污染,化学腐蚀及剧烈振动的场所。
 


 
 
 
五、结构与防误装置

1、结构
本开关柜为金属封闭箱型结构,柜体骨架由角钢焊接而成,柜内用钢板分隔成断路器室、母线室、电缆室、继电器室,并可通过门面上的观察窗和照明灯观察柜内各主要元件的运行情况。为提高开关柜的技术性能,各主要元件进行了重新设计(如断路器、旋转式隔离开关等)。根据柜体布置,继电器室可安装继电器,门上可装设信号继电器、指示仪表、信号灯,转换开关安装与操作小室。后部为母线室。下部为电缆室,用户可方便地进行接线。前面为断路器室,方便了开关柜的检修。柜体的内部机构参见图一、图二和产品说明书。
2、防误装置
“五防”功能即:防止误分、误合断路器;防止带负荷误分、误合隔离开关;防止带电关合接地开关:防止接地开关闭合时接通电源;防止误入带电间隔。
本开关柜采用了强制性机械闭锁方式,闭锁装置由支座、圆盘、面板、锁板、手柄、联杆等主要部件构成,具有性能可靠、功能齐全、结构简单、操作方便的特点,从而简便、有效地达到“五防”。
a、带红绿翻牌的控制开关(KW开关)使用于断路器方案,用于防止因走错间隔而误分、误合断路器;
b、只有在断路器确实分断后,才能将小手柄从“工作”位置拉出右旋至“分断闭锁”位置。分、合隔离开关、防止了带负荷分、合隔离开关。闭锁与反闭锁的可逆性具有双重的防误功能,即:小手柄处于“分断闭锁”位置时,只能合、分上下隔离开关,不能合断路,避免了误合断路器;
c、当断路器及上下隔离开关均处于合闸状态,小手柄处于“工作”位置时,前后柜门不能打开,防止误入带电间隔;
d、当上、下隔离开关未分闸,接地开关就不能合上,小手柄不能从“分断闭锁”位置旋至“检修”位置,可防止带电挂接地线
e、接地开关未分闸,上下隔离开关就不能合上,可防止接地线合上、下隔离开并。
动作原理如下
a、停电操作(运行→检修)
开关柜处于“工作”位置,即上、下隔离开关、断路器处于合闸状态、前后门已锁好,并处于带电运行之中,这时的小手柄处于“工作”位置。
先将断路器分断,再将小手柄扳到“分断闭锁”位置。这时断路器不能合闸,将操作手柄插入下隔离的操作孔内,按下小把手,手柄从上往下拉,到下隔离分闸位置;取下手柄,插入上隔离操作孔内,按下小把手,从上往下拉,拉到上隔离分闸位置:再将操作手柄拿下,插入接地开关孔内,控下小把手,从下往上推,使接地开关处于合闸位置,这时可将小手柄扳到“检修”位置。可先打开前门,取出门后边钥匙再打开后门,停电操作完毕,检修人员可对断路器室及电缆室进行维护和检修。
b、送电操作(检修→运行)
若已检修完毕,需要送电,其操作程序如下:
将后门关好锁定,将钥匙取出关前门,将小手柄从“检修”位置扳到“分断闭锁”位置,这时前门被锁定,断路器不能合闸;用操作手柄插入接地开关操作孔内,按下小把手,从上向下拉,使接地开关处于分闸位置:将操作手柄拿下,再插入上隔离的操作孔内,按下小把手,从下向上推,使上隔离处于合闸位置,将操作手柄拿下,插入下隔离的操作孔内,按下小把手,从下向上推,使下隔离处于合闸位置﹔取出操作手柄,将小手柄扳至“工作”位置,这时可将断路器合闸。
 

 

七、订货须知:

订货时用户须提供下列资料
a、主接线方案编号及母线系统图、排列图;
b、二次回路接线原理图、端子排列图,如端子无排列图时按制造厂(郑控电气公司)规定;
c、开关柜内电器元件的型号、规格数量;
d、主母线、支主母线的材质、规格,否则按照制造厂(郑控电气公司)规定供应;
e、开关柜使用在特殊环境条件,应在订货时提出;
f、需要附件,备件时应提出其种类和数量。